Dno šachtové sběrné typ X - Tegra Ø 425
Cena
od
5 801 Kč S DPH
Původní cena
6 825 Kč S DPH
Ušetříte
15 % (1 024 Kč)
Kód produktu
PRO453
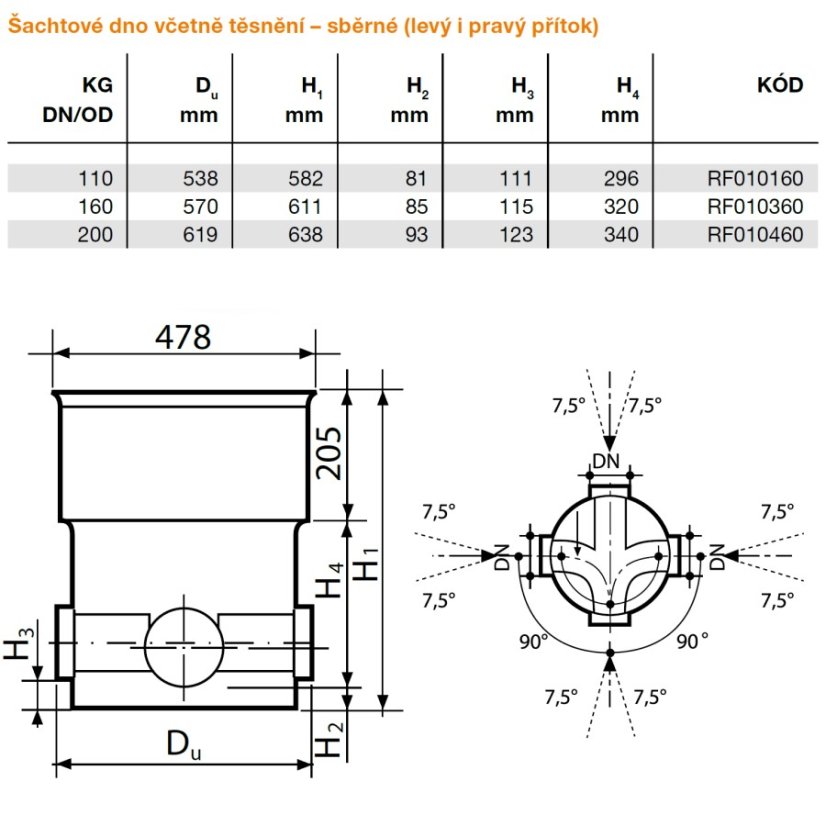
Dno sběrné typ X na KG potrubí, vyrobené z PP. Vstupy a výstupy jsou opatřeny výkyvnými hrdly pro směrování kanalizace až o 7,5°. Součástí dna je těsnění pro dopojení šachtové roury.
Revizní (kontrolní) - umožňující veškeré práce související s provozem komunikace.
Využívají se jak pro dešťovou, tak splaškovou kanalizaci, dále také pro drenážní sítě.
Připojení potrubí DN 110, 160 a 200. Více
Revizní (kontrolní) - umožňující veškeré práce související s provozem komunikace.
Využívají se jak pro dešťovou, tak splaškovou kanalizaci, dále také pro drenážní sítě.
Připojení potrubí DN 110, 160 a 200. Více
Šachta Wavin Tegra 425
- neprůlezná kanalizační šachta
- vnitřní Ø šachty 425 mm, vnější 476 mm
- barva červenohnědá (PP) a černá (PP)
- možnost přímého napojení kanalizačních potrubí KG DN/OD 160-315 u přímého dna
- možnost dodatečných připojení nad dnem pomocí vložky IN-SITU ? 110, 160 a 200 mm
- nastavitelný úhel připojení kanalizačního potrubí v hrdlech ± 7,5° v každé rovině
- průtočná šachtová dna 180°, 150°, 120°, 90° (příslušně 0°, 30°, 60°, 90°)
- soutočná šachtová dna se současným bočním přítokem z pravé i levé strany
- boční přívody jsou realizovány pod úhlem 90°
- regulace výšky kanalizačních šachet seříznutím korugované roury po 10 cm nebo pomocí teleskopu
- možnost použití i při velmi vysoké hladině spodní vody, zaručená těsnost spojení komponentů kanalizační šachty 0,5 baru
- kruhová tuhost >= SN 4
- letmé uložení horní sestavy (teleskop – litinový poklop nebo mříž)
- zamezení přenosu dynamického zatížení na litinový kanalizační systém
- možnost sestavení uličních nebo chodníkových vpustí:
– šachtová roura + slepé dno + spojka IN-SITU + betonový adaptér + teleskop + mříž
Výhody šachet Tegra 425
- Snadná materiálová specifikace a snadná kalkulace
- Těsnost a vynikající hydraulika zajišťuje bezproblémový provoz
- Možnost propojení s hladkostěnnými systémy z PVC i PP
- Velký rozsah možných kanalizačních uzlů při malém množství šachet
- Možnost použití pro různá zatížení i ve složitých hydrogeologických podmínkách
- Široká škála poklopů (litina, beton, plast) A15 – D400
- Bezpečné projektování – odpovídá normám a certifikátům a splňuje podmínky z oblasti BOZP
- Jednoduchá montáž na dně výkopu díky plochému dnu
- Díky speciálnímu hrdlu s náběhy dochází k redukci síly potřebné k zasunutí šachtové roury do dna
- Snadná regulace výšky díky možnosti zkrácení šachtové roury a teleskopickému zakončení
- Řešení kanalizačních uzlů pomocí výkyvných hrdel bez ztráty těsnosti
- Těsnost a dobrá hydraulika systému plní podmínky levného a bezproblémového provozu
- Jistota dlouhodobé životnosti a funkčnosti
- Velmi dobrý poměr kvality a ceny
Parametry
| Systém | Šachty |
|---|---|
| Typ šachty | Korugované (žebrované) prodloužení |
| Průměr šachty | 425 (korugované prodloužení, vnější Ø 476 mm) |
| Materiál | Polypropylén (PP) |
| Díl šachty | Šachtové dno |
| Typ dna | Sběrné |
| Výrobní společnost | Wavin Czechia s.r.o. |
|---|---|
| Adresa | Rudeč 848,277 13, Kostelec nad Labem IČ: 275 60 597 DIČ: CZ 275 60 597, společnost je vedená u Městského soudu v Praze, C 114521 |
| info.cz@wavin.com |







